Data Sheets
-
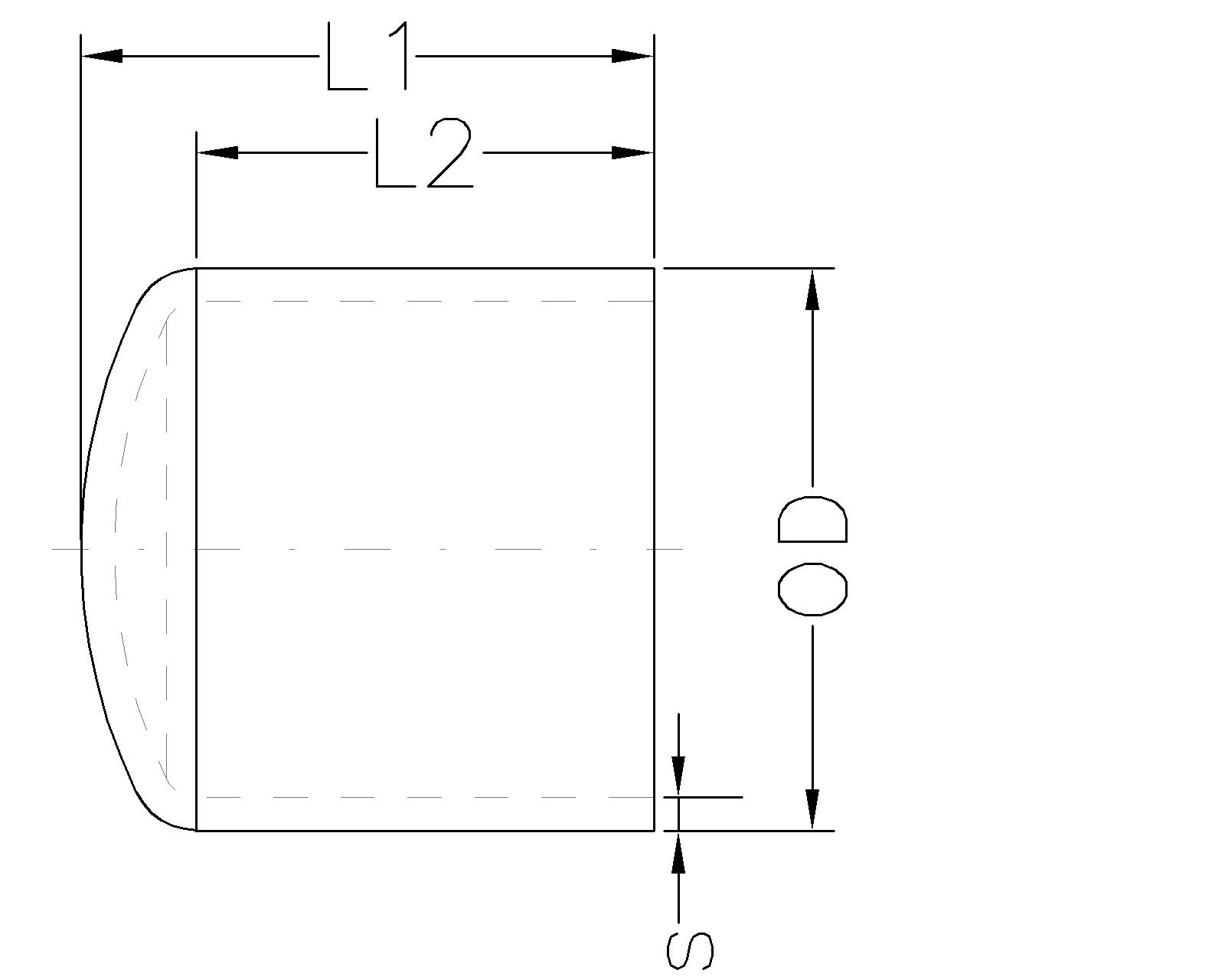
Butt End Caps →
Download CSV
Item Key Nominal Diameter L1 (inch) L2 (inch) C Depth s (inch) OD (inch) Weight (lbs) FF-51.114.0002.17 2” IPS 3.15 2.48 0.14 2.38 0.13 FF-51.114.0003.17 3” IPS 4.57 3.62 0.21 3.5 0.4 FF-51.114.0004.17 4” IPS 5.16 3.9 0.26 4.5 0.71 FF-51.114.0006.17 6” IPS 6.69 4.72 0.39 6.63 1.93 FF-51.114.0008.17 8” IPS 8.43 5.83 0.51 8.63 4.3 FF-51.114.0010.17 10” IPS 9.57 6.3 0.63 10.75 7.54 FF-51.114.0012.17 12” IPS 11.46 7.48 0.75 12.75 12.39 FF-51.114.0075.11 3” IPS 2.05 1.77 0.1 1.05 0.02 FF-51.114.0001.11 1” IPS 2.2 1.77 0.12 1.32 0.04 FF-51.114.0125.11 11” IPS 2.52 1.99 0.15 1.66 0.07 FF-51.114.0150.11 11” IPS 2.83 2.2 0.17 1.9 0.07 FF-51.114.0002.11 2” IPS 3.15 2.48 0.22 2.38 0.18 FF-51.114.0003.11 3” IPS 4.57 3.62 0.32 3.5 0.62 FF-51.114.0004.11 4” IPS 5.16 3.9 0.41 4.5 1.04 FF-51.114.0006.11 6” IPS 6.69 4.72 0.6 6.63 3.01 FF-51.114.0008.11 8” IPS 8.43 5.83 0.79 8.63 6.33 FF-51.114.0010.11 10” IPS 9.57 6.3 0.98 10.75 11.11 FF-51.114.0012.11 12” IPS 11.46 7.48 1.16 12.75 18.56 RF-CAPS-R9-02.00 2” IPS 3.53 3.23 1.5 0.26 2.38 0.3 RF-CAPS-R9-03.00 3” IPS 3.13 2.9 1.5 0.39 3.5 0.62 RF-CAPS-R9-04.00 4” IPS 5.65 3.9 1.5 0.5 4.5 1.44 RF-CAPS-R9-06.00 6” IPS 5.7 3.3 1.5 0.74 6.63 2.75 RF-51.114.0010.09* 10“ IPS 9.69 6.14 1.5 1.19 10.74 16.795 RF-51.114.0012.09* 12“ IPS 11.5 7.24 1.5 1.82 12.73 26.63 RF-CAPS-R7-02.00 2” IPS 3.53 3.23 1.5 0.34 2.38 0.31 RF-CAPS-R7-03.00 3” IPS 3.13 2.9 1.5 0.5 3.5 0.71 RF-CAPS-R7-04.00 4” IPS 5.65 3.9 1.5 0.64 4.5 2.89 RF-CAPS-R7-06.00 6” IPS 5.7 3.3 1.5 0.95 6.63 2.995 RF-51.114.0010.07* 10“ IPS 9.69 6.14 1.5 1.54 10.74 17.54 RF-51.114.0012.07* 12“ IPS 11.5 7.24 1.5 1.82 12.73 28.85 -
Butt Elbows →
Download CSV
Item Key Nominal Diameter L1 (inch) L2 (inch) L3 (inch) s (inch) OD (inch) Weight (lbs) FF-51.113.0002.17 2” IPS 5.71 4.41 2.44 0.14 2.38 0.29 FF-51.113.0003.17 3” IPS 7.48 5.67 3.23 0.21 3.50 1.01 FF-51.113.0004.17 4” IPS 8.90 6.54 3.66 0.26 4.50 1.95 FF-51.113.0006.17 6” IPS 12.13 8.74 4.49 0.39 6.63 5.42 FF-51.113.0008.17 8” IPS 15.75 11.42 5.63 0.51 8.63 12.53 FF-51.113.0010.17 10” IPS 18.82 13.35 6.14 0.63 10.75 23.15 RF-51.113.0012.17* 12” IPS 20.83 14.17 6.30 0.75 12.75 35.67 FF-51.113.0075.11 3⁄4” IPS 3.35 2.83 1.77 0.10 1.05 0.07 FF-51.113.0001.11 1” IPS 3.66 3.03 1.85 0.12 1.32 0.11 FF-51.113.0125.11 11⁄4” IPS 4.33 3.46 2.05 0.15 1.66 0.21 FF-51.113.0150.11 11⁄2” IPS 4.88 3.94 2.24 0.17 1.90 0.34 FF-51.113.0002.11 2” IPS 5.71 4.41 2.44 0.22 2.38 0.44 FF-51.113.0003.11 3” IPS 7.48 5.67 3.23 0.32 3.50 1.43 FF-51.113.0004.11 4” IPS 8.90 6.54 3.66 0.41 4.50 2.65 FF-51.113.0006.11 6” IPS 12.13 8.74 4.49 0.60 6.63 7.23 FF-51.113.0008.11 8” IPS 15.75 11.42 5.63 0.79 8.63 16.75 FF-51.113.0010.11 10” IPS 18.82 13.35 6.14 0.98 10.75 31.53 RF-51.113.0012.11* 12” IPS 20.83 14.17 6.30 1.16 12.75 48.24 RF-EL90-R9-02.00 2” IPS 5.75 4.25 2.45 0.26 2.38 0.77 RF-EL90-R9-03.00 3” IPS 7.53 5.65 3.05 0.39 3.50 1.76 RF-EL90-R9-04.00 4” IPS 8.68 6.13 3.25 0.50 4.50 3.090 RF-EL90-R9-06.00 6” IPS 12.80 9.28 4.05 0.74 6.63 12.7 FF-51.113.0002.07 2” IPS 5.75 4.25 2.45 0.34 2.38 0.920 FF-51.113.0003.07 3” IPS 7.53 5.65 3.05 0.50 3.50 2.13 FF-51.113.0004.07 4” IPS 8.68 6.13 3.25 0.64 4.50 3.82 FF-51.113.0006.07 6” IPS 12.80 9.28 4.05 0.95 6.63 12.5 FF-51.110.0002.17 2” IPS 6.38 3.23 2.52 0.14 2.38 0.26 FF-51.110.0003.17 3” IPS 9.09 4.57 3.39 0.21 3.50 0.81 FF-51.110.0004.17 4” IPS 10.24 5.04 3.58 0.26 4.50 1.48 FF-51.110.0006.17 6” IPS 13.82 6.61 4.53 0.39 6.63 4.28 FF-51.110.0008.17 8” IPS 16.97 8.15 5.63 0.51 8.63 8.69 FF-51.110.0010.17 10” IPS 20.28 9.61 6.18 0.63 10.75 14.44 FF-51.110.0012.17 12” IPS 21.93 10.04 6.50 0.75 12.75 25.18 FF-51.110.0075.11 3” IPS 4.53 2.44 1.77 0.10 1.05 0.06 FF-51.110.0001.11 1” IPS 4.84 2.56 1.85 0.12 1.32 0.10 FF-51.110.0125.11 11” IPS 5.71 2.99 2.05 0.15 1.66 0.18 FF-51.110.0150.11 11” IPS 6.14 3.23 2.24 0.17 1.90 0.25 FF-51.110.0002.11 2” IPS 6.38 3.23 2.52 0.22 2.38 0.38 FF-51.110.0003.11 3” IPS 9.09 4.57 3.39 0.32 3.50 1.16 FF-51.110.0004.11 4” IPS 10.24 5.04 3.58 0.41 4.50 2.17 FF-51.110.0006.11 6” IPS 13.82 6.61 4.53 0.60 6.63 6.00 FF-51.110.0008.11 8” IPS 16.97 8.15 5.63 0.79 8.63 12.61 FF-51.110.0010.11 10” IPS 20.28 9.61 6.18 0.98 10.75 22.80 FF-51.110.0012.11 12” IPS 21.93 10.04 6.50 1.16 12.75 34.61 R-EL45-R9-02.00 2” IPS 8.28 4.20 2.40 0.26 2.38 0.55 R-EL45-R9-03.00 3” IPS 10.15 5.00 2.50 0.39 3.50 2.995 R-EL45-R9-04.00 4” IPS 10.70 5.07 2.80 0.50 4.50 3.155 R-EL45-R9-06.00 6” IPS 16.27 8.13 4.00 0.74 6.63 12.40 R-EL45-R7-02.00 2” IPS 8.28 4.20 2.40 0.34 2.38 0.65 R-EL45-R7-03.00 3” IPS 10.15 5.00 2.50 0.50 3.50 3.21 R-EL45-R7-04.00 4” IPS 10.70 5.07 2.80 0.64 4.50 3.65 R-EL45-R7-06.00 6” IPS 16.27 8.13 4.00 0.95 6.63 11.765 -
Butt Tees →
Download CSVItem Key Nominal Diameter L1 (inch) L2 (inch) L3 (inch) s (inch) OD (inch) Weight (lbs) FF-51.115.0002.17 2” IPS 9.69 4.88 2.87 0.14 2.38 0.53 FF-51.115.0003.17 3” IPS 11.61 5.79 3.54 0.21 3.50 1.46 FF-51.115.0004.17 4” IPS 13.78 6.89 3.94 0.26 4.50 2.85 FF-51.115.0006.17 6” IPS 17.68 8.82 4.72 0.39 6.63 7.67 FF-51.115.0008.17 8” IPS 23.03 11.46 5.67 0.51 8.63 17.07 RF-51.115.0010.17* 10” IPS 27.17 13.54 6.22 0.63 10.75 31.58 RF-51.115.0012.17* 12” IPS 29.72 14.84 6.77 0.75 12.75 50.10 FF-51.115.0075.11 3” IPS 5.12 2.56 1.65 0.10 1.05 0.09 FF-51.115.0001.11 1” IPS 5.67 2.83 1.77 0.12 1.32 0.16 FF-51.115.0125.11 11” IPS 6.61 3.31 2.01 0.15 1.66 0.31 FF-51.115.0150.11 11” IPS 7.99 4.00 2.52 0.17 1.90 0.43 FF-51.115.0002.11 2” IPS 9.69 4.88 2.87 0.22 2.38 0.86 FF-51.115.0003.11 3” IPS 11.61 5.79 3.54 0.32 3.50 2.05 FF-51.115.0004.11 4” IPS 13.78 6.89 3.94 0.41 4.50 3.89 FF-51.115.0006.11 6” IPS 17.68 8.82 4.72 0.60 6.63 10.67 FF-51.115.0008.11 8” IPS 23.03 11.46 5.67 0.79 8.63 23.55 RF-51.115.0010.11* 10” IPS 27.17 13.54 6.22 0.98 10.75 43.09 RF-51.115.0012.11* 12” IPS 29.72 14.84 6.77 1.16 12.75 67.85 R-TEES-R9-02.00 2” IPS 8.48 4.41 2.50 0.26 2.38 0.985 R-TEES-R9-03.00 3” IPS 11.50 5.63 2.85 0.39 3.50 2.44 R-TEES-R9-04.00 4” IPS 13.28 5.98 3.05 0.50 4.50 4.09 R-TEES-R9-06.00 6” IPS 18.13 N/A 4.18 0.74 6.63 16.58 R-TEES-R7-02.00 2” IPS 8.48 4.41 2.50 0.34 2.38 1.20 R-TEES-R7-03.00 3” IPS 11.50 5.63 2.85 0.50 3.50 3.10 R-TEES-R7-04.00 4” IPS 13.28 5.98 3.05 0.64 4.50 5.29 R-TEES-R7-06.00 6” IPS 18.13 6.63 4.18 0.95 6.63 12.83 -
Backing Rings →
Download CSV
Item Key Nominal Diameter BH (inch) t (inch) L3 (inch) OD (inch) ID Weight (lbs) RO-11.013.0020.11 20-1“ - MOP 16 bar 0.63 0.47 3.74 2.38 2.20 0.45 RO-11.013.0025.11 25-3“ - MOP 16 bar 0.63 0.47 4.02 2.75 2.68 0.53 RO-11.013.0032.11 32-1“ - MOP 16 bar 0.63 0.63 4.49 3.12 3.31 0.86 RO-11.013.0040.11 40-11“ - MOP 16 bar 0.63 0.63 5.12 3.50 4.02 1.17 RO-11.013.0050.11 50-11“ - MOP 16 bar 0.63 0.71 5.24 3.88 4.88 1.24 RO-11.013.0063.11 63-2“ - MOP 16 bar 0.79 0.71 6.38 4.75 6.14 1.86 RO-11.013.0075.11 75-21“ - MOP 16 bar 0.79 0.71 7.24 5.50 7.24 2.35 RO-11.013.0090.11 90-3“ - MOP 16 bar 0.79 0.71 7.64 6.00 8.74 2.43 RO-11.013.0110.11 110/125-4“ - MOP 16 bar 0.79 0.71 9.02 7.50 10.47 3.47 RO-11.013.0160.11 160-6“ - MOP 16 bar 0.87 0.94 11.14 9.50 14.02 5.29 RO-11.013.0200.11 200/225-8“ - MOP 16 bar 0.87 0.94 13.58 11.75 18.58 7.72 RO-11.013.0250.11 250-10“ - MOP 16 bar 0.98 1.06 16.22 14.25 22.68 13.67 RO-11.013.0315.11 315-12“ - MOP 16 bar 0.98 1.06 19.17 17.00 26.61 28.75 -
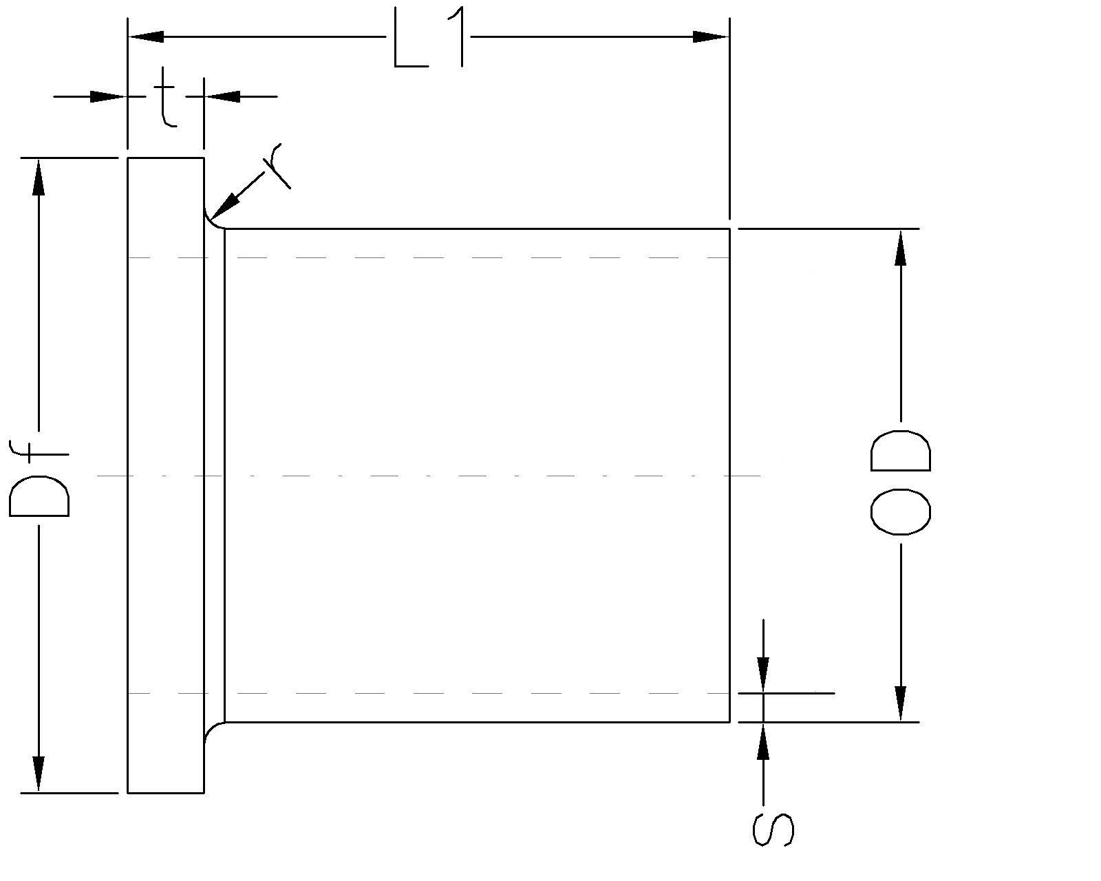
Butt Flange Adapters →
Download CSV
Item Key Nominal Diameter L1 (inch) s (inch) OD (inch) Df (inch) t (Inch) r (inch) Weight (lbs) RF-FLNG-R9-02.00 2” IPS 7.4 0.26 2.38 3.85 0.49 0.19 0.59 RF-FLNG-R9-03.00 3” IPS 6.03 0.39 3.5 5 0.84 0.28 1.16 RF-FLNG-R9-04.00 4” IPS 6.33 0.5 4.5 6.54 1 0.28 2.2 RF-FLNG-R9-06.00 6” IPS 7.247 0.74 6.63 8.6 1 0.28 4.67 RF-FLNG-R9-08.00 8” IPS 8.105 0.96 8.625 10.7 1.12 0.35 10.93 RF-FLNG-R9-10.00 10” IPS 11.98 1.19 10.75 12.75 1.54 0.35 17.29 RF-51.112.0012.09* 12” IPS 12.34 1.42 12.75 15.5 1.83 0.35 27.84 RF-51.112.0002.07* 2” IPS 7.4 0.34 2.38 3.85 0.49 0.19 0.77 RF-FLNG-R7-03.00 3” IPS 6.03 0.5 3.5 5 0.84 0.28 1.39 RF-FLNG-R7-04.00 4” IPS 6.33 0.64 4.5 6.54 1 0.28 2.41 RF-FLNG-R7-06.00 6” IPS 7.247 0.95 6.63 8.6 1 0.28 5.82 RF-FLNG-R7-08.00 8” IPS 8.105 1.23 8.625 10.7 1.12 0.35 11.79 RF-FLNG-R7-10.00 10” IPS 11.98 1.54 10.75 12.75 1.54 0.35 17.54 RF-51.112.0012.09* 12” IPS 12.34 1.82 12.75 15.5 1.83 0.35 30.35 FF-51.112.0002.17 2” IPS 6.1 0.14 2.38 3.94 0.55 0.2 0.37 FF-51.112.0003.17 3” IPS 6.1 0.21 3.5 5 0.67 0.28 0.77 FF-51.112.0004.17 4” IPS 6.1 0.26 4.5 6.61 0.79 0.28 1.26 FF-51.112.0006.17 6” IPS 8.5 0.39 6.63 8.5 1.02 0.28 3.22 FF-51.112.0008.17 8” IPS 10.51 0.51 8.63 10.63 1.02 0.35 6.44 FF-51.112.0010.17 10” IPS 11.61 0.63 10.75 12.99 1.18 0.35 10.63 FF-51.112.0012.17 12” IPS 10.83 0.75 12.75 15.75 1.38 0.35 14.81 RF-51.112.0014.17* 14” IPS 13 0.83 13.94 17.5 1.5 0.43 22.1 RF-51.112.0016.17* 16” IPS 13 0.94 15.93 20 1.77 0.43 31 RF-51.112.0018.17* 18” IPS 13 1.06 17.92 21.38 1.89 0.43 35.8 FF-51.112.0075.11 3” IPS 4.02 0.09 1.05 1.85 0.39 0.12 0.07 FF-51.112.0001.11 1” IPS 4.02 0.12 1.32 2.36 0.39 0.12 0.11 FF-51.112.0125.11 11” IPS 4.02 0.15 1.66 2.8 0.39 0.2 0.15 FF-51.112.0150.11 11” IPS 4.02 0.17 1.9 3.15 0.39 0.2 0.22 FF-51.112.0002.11 2” IPS 6.1 0.22 2.38 3.94 0.55 0.2 0.49 FF-51.112.0003.11 3” IPS 6.1 0.32 3.5 5 0.67 0.28 0.95 FF-51.112.0004.11 4” IPS 6.1 0.41 4.5 6.61 0.79 0.28 1.73 FF-51.112.0006.11 6” IPS 7.87 0.6 6.63 8.5 1.02 0.28 4.08 FF-51.112.0008.11 8” IPS 10.63 0.79 8.63 10.83 1.26 0.35 9.08 FF-51.112.0010.11 10” IPS 12.99 0.98 10.75 12.99 1.38 0.35 14.29 FF-51.112.0012.11 12” IPS 15.75 1.16 12.75 15.75 1.5 0.35 20.15 RF-51.112.0014.11* 14” IPS 13 1.27 13.94 17.5 1.5 0.43 29.8 RF-51.112.0016.11* 16” IPS 13 1.45 15.93 20 1.77 0.43 40.2 RF-51.112.0018.11* 18” IPS 13 1.64 17.92 21.38 1.89 0.43 46.5 -
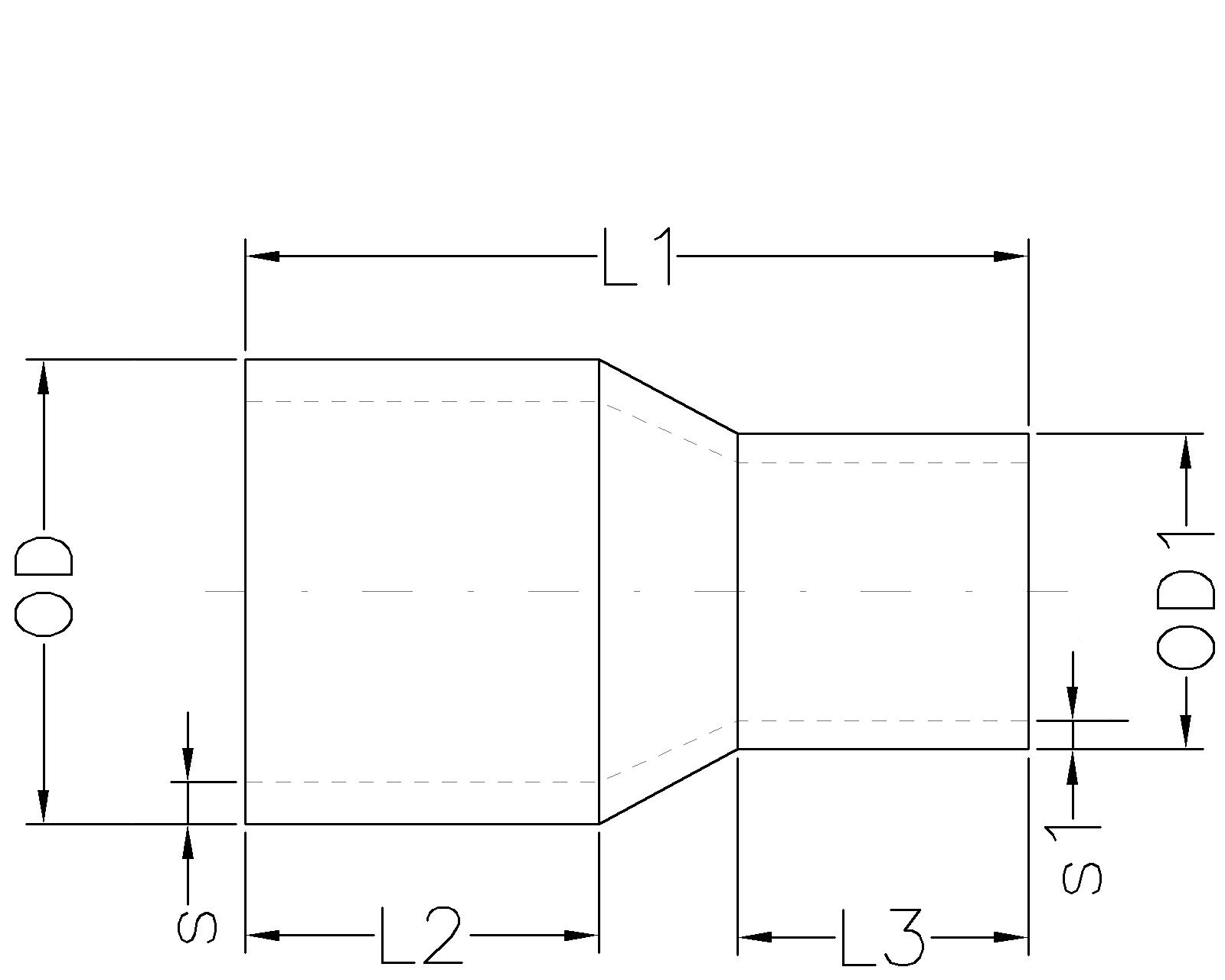
Butt Reducers →
Download CSV
Item Key Nominal Diameter L1 (inch) L2 (inch) L3 (inch) s (inch) OD (Inch) s1 (inch) OD 1 (Inch) Weight (lbs) FF-51.118.0302.17 3 x 2” IPS 7.72 3.74 2.83 0.21 3.5 0.14 2.38 0.49 FF-51.118.0402.17 4 x 2” IPS 8.82 4.09 2.76 0.26 4.5 0.14 2.38 0.82 FF-51.118.0403.17 4 x 3” IPS 8.78 4.13 3.7 0.26 4.5 0.21 3.5 0.93 FF-51.118.0603.17 6 x 3” IPS 11.18 5.06 3.78 0.39 6.63 0.21 3.5 2.43 FF-51.118.0604.17 6 x 4” IPS 10.94 4.84 3.9 0.39 6.63 0.26 4.5 2.51 FF-51.118.0806.17 8 x 6” IPS 12.36 5.51 4.96 0.51 8.63 0.39 6.63 5.2 FF-51.118.1008.17 10 x 8” IPS 14.21 6.22 5.94 0.75 10.75 0.51 8.63 9.66 FF-51.118.1208.17 12 x 8” IPS 16.34 6.54 5.91 0.75 12.75 0.51 8.63 13.89 FF-51.118.1210.17 12 x 10” IPS 16.14 6.61 6.46 0.75 12.75 0.63 10.75 16.27 FF-51.118.2150.11 2 x 1½” IPS 6.22 2.87 2.48 0.22 2.38 0.17 1.9 0.29 FF-51.118.0302.11 3 x 2” IPS 7.72 3.74 2.83 0.32 3.5 0.22 2.38 0.66 FF-51.118.0402.11 4 x 2” IPS 8.82 4.09 2.76 0.41 4.5 0.22 2.38 1.21 FF-51.118.0403.11 4 x 3” IPS 8.78 4.13 3.7 0.41 4.5 0.32 3.5 1.41 FF-51.118.0603.11 6 x 3” IPS 11.18 5.06 3.78 0.6 6.63 0.32 3.5 3.22 FF-51.118.0604.11 6 x 4” IPS 10.94 4.84 3.9 0.6 6.63 0.41 4.5 3.7 FF-51.118.0806.11 8 x 6” IPS 12.36 5.51 4.96 0.79 8.63 0.6 6.63 7.32 FF-51.118.1008.11 10 x 8” IPS 14.21 6.22 5.94 1.16 10.75 0.79 8.63 13.36 FF-51.118.1208.11 12 x 8” IPS 16.34 6.54 5.91 1.16 12.75 0.79 8.63 19.27 FF-51.118.1210.11 12 x 10” IPS 16.14 6.61 6.46 1.16 12.75 0.98 10.75 21.74 RF-REDU-R9-02X01 2" x 1" 6.15 3 1.525 0.26 2.375 0.15 1.315 0.5 RF-REDU-R9-03X02 3" x 2" 6.9 3.18 2.53 0.39 3.5 0.26 2.38 0.79 RF-REDU-R9-04X02 4" x 2" 8 3 2.4 0.5 4.5 0.26 2.38 1.27 RF-REDU-R9-04X03 4" x 3" 7.58 3 3 0.5 4.5 0.39 3.5 1.51 RF-REDU-R9-06X04 6" x 4" 3.8 1.83 1.46 0.74 6.625 0.5 4.5 5.1 RF-REDU-R9-08X06 8" x 6" 4 1.75 1.35 0.96 8.625 0.74 6.63 9.9 RF-REDU-R7-02X01 2" x 1" 6.15 3 1.525 0.34 2.375 0.19 1.315 0.86 RF-REDU-R7-03X02 3" x 2" 6.9 3.18 2.53 0.5 3.5 0.34 2.38 1.16 RF-REDU-R7-04X02 4" x 2" 8 3 2.4 0.64 4.5 0.34 2.38 1.95 RF-REDU-R7-04X03 4" x 3" 7.58 3 3 0.64 4.5 0.5 3.5 1.97 RF-REDU-R7-06X04 6" x 4" 3.8 1.83 1.46 0.95 6.63 0.64 4.5 6.04 RF-REDU-R7-08X06 8" x 6" 4 1.75 1.35 1.23 8.63 0.95 6.63 11.57






